Pour réaliser la conversion à disques ventilés avec étrier de toyota sur 240Z, il faut réaliser un espaceur qui se place entre le moyeu et le disque de frein afin que le disque soit aligné avec l’étrier Toyota.
J’ai recherché des plans pour ces espaceurs dans le but de trouver une connaissance qui pourrait me les usiner. Mais je vais peut être en acheter.
J’ai vu deux types d’espaceurs :
- des tout bête comme ceux vendus par
http://silverminemotors.com/Spacer-Spacer.htm
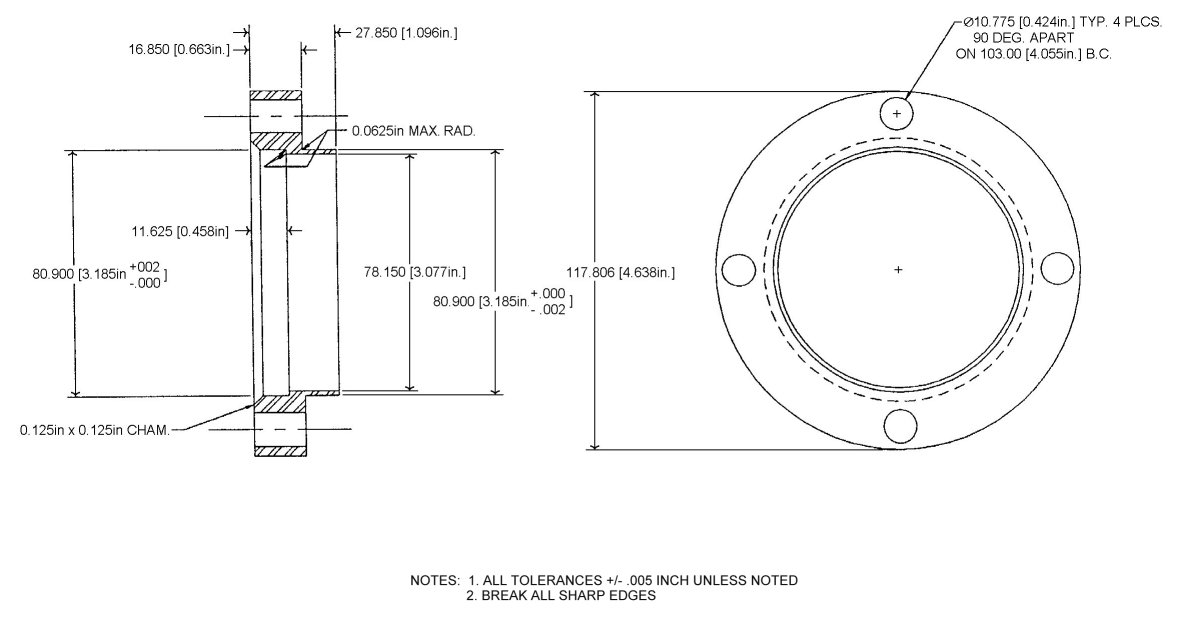
-et des plus complexes qui permettent de bien aligner le disque avec le moyeu comme dans les deux photos attachées.
Je me demande si le système d’alignement est vraiment nécessaire ou si la simplicité du premier type d’espaceur est suffisant. Il semble évident que le premier type est le plus facile à usiner.
Vos opinions les mécanos? alignement ou simplicité?
J’ai recherché des plans pour ces espaceurs dans le but de trouver une connaissance qui pourrait me les usiner. Mais je vais peut être en acheter.
J’ai vu deux types d’espaceurs :
- des tout bête comme ceux vendus par
http://silverminemotors.com/Spacer-Spacer.htm
-et des plus complexes qui permettent de bien aligner le disque avec le moyeu comme dans les deux photos attachées.
Je me demande si le système d’alignement est vraiment nécessaire ou si la simplicité du premier type d’espaceur est suffisant. Il semble évident que le premier type est le plus facile à usiner.
Vos opinions les mécanos? alignement ou simplicité?




Commentaire