Annonce

Réduire
Aucune annonce.

besoin d'aide! problème de démarrage!!

Réduire
X
 
  • Filtre
  • Heure
  • Afficher
Tout nettoyer
nouveaux messages

  • besoin d'aide! problème de démarrage!!

    bonjour

    bon j'ai une datsun 280Z depuis 3 ans qui n'a pas tourné depuis 10 ans,
    je suis remonté dans la nièvre en vu d'un rapatriement( j'habite a 500 km de la voiture)

    ya 4,5 mois je fais tester et nettoyer les injecteurs refais quelque bricole, ce matin je change la pompe a essence( elle était hs)
    j'essaie le démarrage elle démarre tousse et s'arrète,cela 3,4 fois

    je retente ,le buzzer ne sonne plus , la pompe ne fonctionne pas.

    je tourne 10 min a chercher,je reessaie la le buzz sonne mais la voiture ne démarre pas,je regarde tout les trucs classique mais rien.

    L'essence arrive bien a mes injecteurs mais eux ne crache rien,

    comment puis je tester le jus qui arrive au injecteurs? je ne pense pas qu'ils soit collés puisque qu'ils ont été vérifié il y a 4,5 mois

    j'ai bien de l'allumage car je l'ai démarré en mettant de l'essence dans les cylindres et elle a pété.

    les injecteurs sont commandé par le calculateur mais alimenté par quoi?

    comment tester le debimètres?

    je suis un peu dans l'impasse je repars samedi et si elle ne démarre pas je ne peux revenir avant 4 mois!

    help!!
    Dernière modification par sylvain58, 31 août 2011, 18h58.
    280Z 2+2 '77:)
    280z 2 places no rust!
    toyota crown '76
    yamaha 240tdr '89 2 stroke
    [url]http://www.myspace.com/sylvain_freestyleflatland[/url]

  • #2
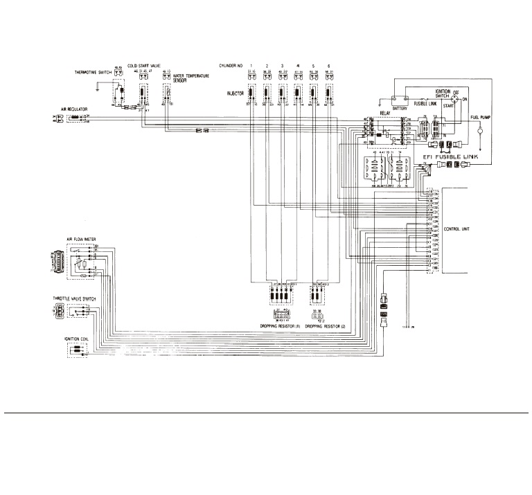
    il te faut trouver le relais qui alimente les injecteurs, la pompe à essence etc...

    Il y a un contacteur dans le débimètre qui coupe la pompe si il n'y a pas de flux d'air ça peut être lui qui déconne ou ton relais
    >Vérifier aussi qu'au niveau du calculateur la prise est bien mise et que la carte n'est aps descendue dans la boîte écartant du coup le connecteur mal du femmelle
    + de Z dans le sud!!!
    Localité: 34 "Hérault" Canet "à côté de Montpellier"
    260Z 2+2 janspeed turbo 1977 (en restauration)
    1/2 240Z GR4 en fin de restauration
    280ZXG 2+2 1981 kit G NOSE

    Un team JanspeedZ de trois petits mécanos de course!
    10ans, 7ans et 4ans...

    Commentaire


    • #3
      le relais en question doit être au dessus du calculateur à gauche de ta pédale d'embrayage

      voilà qui pourrait t'aider!

      Attention les injecteurs ne sont pas forcément alimentés en 12V car il y a deux grosses résistances de chute
      Fichiers attachés
      + de Z dans le sud!!!
      Localité: 34 "Hérault" Canet "à côté de Montpellier"
      260Z 2+2 janspeed turbo 1977 (en restauration)
      1/2 240Z GR4 en fin de restauration
      280ZXG 2+2 1981 kit G NOSE

      Un team JanspeedZ de trois petits mécanos de course!
      10ans, 7ans et 4ans...

      Commentaire


      • #4
        Et voici concernant le débitmètre, vérifié que le contacteur fonctionne et que le volet bouge sans forcer!

        avec ça tu devrais t'en sortir, merci le Forum
        Fichiers attachés
        + de Z dans le sud!!!
        Localité: 34 "Hérault" Canet "à côté de Montpellier"
        260Z 2+2 janspeed turbo 1977 (en restauration)
        1/2 240Z GR4 en fin de restauration
        280ZXG 2+2 1981 kit G NOSE

        Un team JanspeedZ de trois petits mécanos de course!
        10ans, 7ans et 4ans...

        Commentaire


        • #5
          salut

          dans mes pièces j'ai trouvé par chance le fameux relay qui commande les injecteurs,demain j'essaie ca,en espérant!

          merci!
          280Z 2+2 '77:)
          280z 2 places no rust!
          toyota crown '76
          yamaha 240tdr '89 2 stroke
          [url]http://www.myspace.com/sylvain_freestyleflatland[/url]

          Commentaire


          • #6
            oui sinon faudra sortir le multimètre et faire les vérifications...Bonne chance!
            + de Z dans le sud!!!
            Localité: 34 "Hérault" Canet "à côté de Montpellier"
            260Z 2+2 janspeed turbo 1977 (en restauration)
            1/2 240Z GR4 en fin de restauration
            280ZXG 2+2 1981 kit G NOSE

            Un team JanspeedZ de trois petits mécanos de course!
            10ans, 7ans et 4ans...

            Commentaire


            • #7
              salut c'étais bien le relais qui étais en cause! mais la mamie peine quand même!
              280Z 2+2 '77:)
              280z 2 places no rust!
              toyota crown '76
              yamaha 240tdr '89 2 stroke
              [url]http://www.myspace.com/sylvain_freestyleflatland[/url]

              Commentaire


              • #8
                Envoyé par sylvain58 Voir le message
                salut c'étais bien le relais qui étais en cause! mais la mamie peine quand même!
                Faut pas demander des miracles.....

                Envoyé par sylvain58 Voir le message
                bon j'ai une datsun 280Z depuis 3 ans qui n'a pas tourné depuis 10 ans,
                Si c'était une voiture d'origine européen, il faut demonter 100% pour avoir la même.

                Commentaire


                • #9
                  non c'est une us 280z celle d'anciennes .net ya quelque année tu voulais la prendre je crois



                  sinom les nouvelles

                  elle merdouille toujours au ralenti,je relais d'injection 'arrete pas de "claquer" quand on touche a la pédale d'accélérateur,
                  comme si ce qui le commandais déconnais je cherche en amont mais pas facile
                  a prioro le pappillon n'est pas en cause
                  janspeed si tu passes par la....
                  280Z 2+2 '77:)
                  280z 2 places no rust!
                  toyota crown '76
                  yamaha 240tdr '89 2 stroke
                  [url]http://www.myspace.com/sylvain_freestyleflatland[/url]

                  Commentaire


                  • #10
                    Ja vais dire que si c'était autre qu'une Datsun - par ex MG, Alfa, Porsche Jaguar etc, etc après 10 ans sans tourner, ça va être pire.

                    Commentaire


                    • #11
                      regarde le contacteur dans le débitmètre, controle son bon fonctionnement au multimètre tu as tout dans les doc que je t'ai passé!
                      + de Z dans le sud!!!
                      Localité: 34 "Hérault" Canet "à côté de Montpellier"
                      260Z 2+2 janspeed turbo 1977 (en restauration)
                      1/2 240Z GR4 en fin de restauration
                      280ZXG 2+2 1981 kit G NOSE

                      Un team JanspeedZ de trois petits mécanos de course!
                      10ans, 7ans et 4ans...

                      Commentaire


                      • #12
                        Envoyé par JanspeedZ Voir le message
                        regarde le contacteur dans le débitmètre, controle son bon fonctionnement au multimètre tu as tout dans les doc que je t'ai passé!
                        Salut,

                        Y pas de secret, il faut que tu prennes le guide de l'injection qu'a dû te donner JanspeedZ et tu fais tous les tests dans l'ordre au niveau du connecteur de l'ECU (page 45 du document attaché)
                        Tests à faire au multimètre, tu connaitras alors l'état de tous les éléments qui commandent l'injection et les pièces qui peuvent poser problème.
                        Ca te prendra 1 heure et tu n'avanceras plus à l'aveuglette.
                        Elle est de quelle année ta Z?
                        L'injection est gérée différemment pour les 280Z avant 78 et après 78.
                        Si tu as besoin je peux te prêter mon ECU et mon AFM qui fonctionnent correctement.
                        Le problème principal sur l'injection 280Z c'est la corrosion. Il faut nettoyer chaque connecteur et toutes les masses en priorité.

                        A+
                        Simon

                        PS: désolé, je viens de voir que c'est trop tard car tu y retournes aujourd'hui...
                        Fichiers attachés
                        Dernière modification par s2mad, 03 septembre 2011, 10h53.
                        ___________________________
                        280Z 1978 E85 (MS2, Fuel only)

                        Commentaire

                        Chargement...
                        X