Annonce

Réduire
Aucune annonce.

280zx turbo : Le retour d'un poisson gris

Réduire
X
 
  • Filtre
  • Heure
  • Afficher
Tout nettoyer
nouveaux messages

  • Ahahahah!!! En plus Gilles, La sonde tu l'as connaît bien!!!!
    Si tu fais l'ECU en plus... Champion le gars!!!
    Moi:
    Datsun 260Z 2+2 1976 rouge peugeot 405 MI16
    Datsun 180B 1977 Grise

    Commentaire


    • Envoyé par gil2clair Voir le message
      Je ne comprend rien !

      Sauf ça que j'ai bien compris : "rentrer dans l'ECU"
      J'brûle un feu rouge, police patrouille, je serre les fesses, y a rien qui presse...

      OK je sors..

      Content Sylvain que tu ai pu limiter les dégâts, et surtout pas de bobo corporel.

      Commentaire


      • Envoyé par jean-marie Voir le message

        J'brûle un feu rouge, police patrouille, je serre les fesses, y a rien qui presse...

        OK je sors..

        Content Sylvain que tu ai pu limiter les dégâts, et surtout pas de bobo corporel.
        Merci, j'ai fini de tout contrôler sous châssis

        RAS !

        j'ai un curver plein à raz bord de fines herbes pour la cuisine
        ========================================
        D'un Z qui veut dire...

        Commentaire


        • Envoyé par nissag250 Voir le message
          c'est pas con , mais il va falloir pas mal de tours car la résistance croit de manière non linéaire à l'inverse de la température . Tu n'as pas pensé non plus à leurrer le débimètre à volet ? tu peux dans ce cas enrichir sur toute la plage de flux/régime ? ça ne vaudra jamais la possibilité de rentrer dans l'ECU, mais c'est une autre affaire ! bonne chance .
          À chaud, cela a une incidence sur le régime du ralenti... donc cela fonctionne !

          Reste à mesurer pour etalonner
          ========================================
          D'un Z qui veut dire...

          Commentaire


          • nissag250
            nissag250 a commenté
            Modifier le commentaire
            cool ! c'est le cas de le dire !!

        • je mets cela là... pour ne pas chercher à chaque fois

          Fichiers attachés
          ========================================
          D'un Z qui veut dire...

          Commentaire


          • datsun240z
            datsun240z a commenté
            Modifier le commentaire
            Bon... ben... j’ai recherché quand même LOL

        • pour ne pas cherche à chaque intervention, capitalisation du système de vide clim, Cruise et clapets habitacle

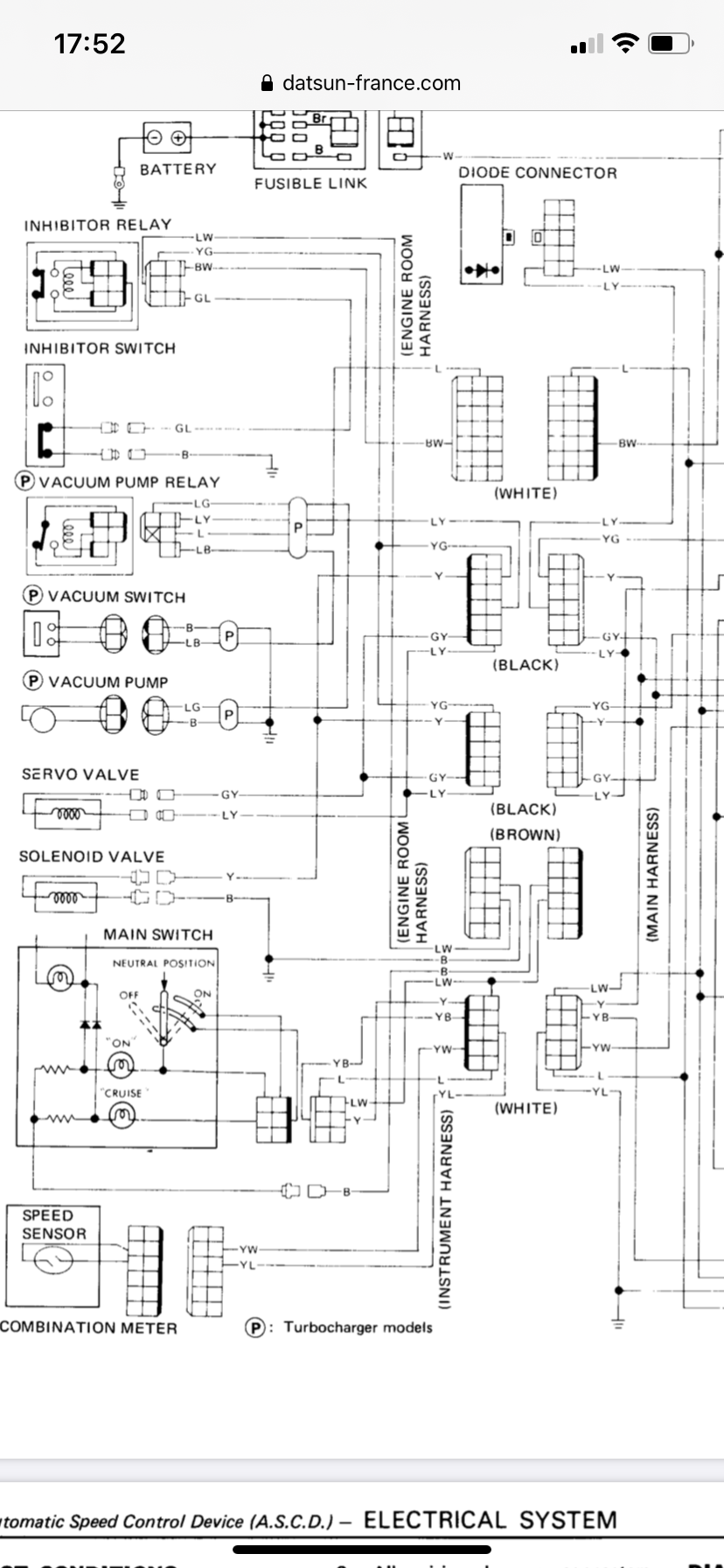
          Sur le réservoir de vide d’air :
          en dessous contacteur électrique pour la pompe + port d’aspiration par la pompe
          au dessus:
          • le port marqué M, relié à l’admission pour création principale du vide
          • l’electrovanne jaune = clim, fil noir et jaune + relié au régulateur de ralenti accéléré pour la clim FICD (fast idle actuator); testée Ok
          • l’electrovanne noire, fil noir commun avec l’electovanne de clim + bleu à trait rouge (alimenté quand ventilation habitacle = ON), relié au sélecteur de tableau de bord (durite traverse cloison); testée OK
          • le dernier port sans électrovanne = Cruise control
          Dernière modification par datsun240z, 23 avril 2020, 20h35.
          ========================================
          D'un Z qui veut dire...

          Commentaire


          • Circuit de vide du Cruise control :

            - servo-valve, en haut, relié au réservoir de vide en entrée et au solenoid valve en sortie, fils GY LY
            - solenoid valve en bas, relié solenoid en entrée, poumon en sortie, fils jaune + noir

            2 valves à tester plus tard (attention précaution cf fsm)
            Dernière modification par datsun240z, 23 avril 2020, 20h34.
            ========================================
            D'un Z qui veut dire...

            Commentaire


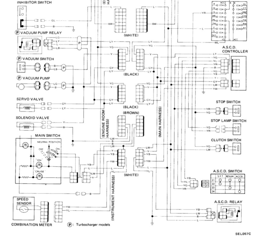
            • Pb = pompe à vide ne fonctionne pas


              pompe à vide branchée sur 12v = OK

              Relai Pompe à vide = alim 12v sur commande relai (coil) ssi Cruise control activé = OK

              interrupteur pression sous pompe à vide en série sur circuit commande

              à pression atmosphérique, interrupteur ouvert => PANNE? A tester sur spare

              Câblage interrupteur = ok
              • ~0Ohm entre borne noire et chassis
              • ~0Ohl entre borne bleu-noir et relais
              si shunt de l’inter de pression, le relai claque quand Cruise activé => circuit commande OK (hors inter pression)


              sur borne relais, pas de 12v sur câble bleu de puissance => fusible qui apparaît au plan...
              • Continuité fil bleu « L » entre borne relai et connecteur câblage moteur/câblage habitacle = OK, bonne nouvelle!
              • côté câblage habitacle = pas de 12v après contact... yo
              Fichiers attachés
              Dernière modification par datsun240z, 25 avril 2020, 13h32.
              ========================================
              D'un Z qui veut dire...

              Commentaire


              • Relais

                coil = commande
                com = +12v puissance
                Bascule
                • U coil = 0v => continuité com-NC
                • U coil =12v => continuité com-NO
                ========================================
                D'un Z qui veut dire...

                Commentaire


                • Envoyé par datsun240z Voir le message
                  Pb = pompe à vide ne fonctionne pas


                  pompe à vide branchée sur 12v = OK

                  Relai Pompe à vide = alim 12v sur commande relai (coil) ssi Cruise control activé = OK

                  interrupteur pression basse sous pompe à vide en série sur circuit commande

                  à pression atmosphérique, interrupteur ouvert => PANNE? A tester sur spare

                  Câblage interrupteur = ok
                  • ~0Ohm entre borne noire et chassis
                  • ~0Ohl entre borne bleu-noir et relais
                  si shunt de l’inter de pression, le relai claque quand Cruise activé => circuit commande OK (hors inter basse pression)


                  sur borne relais, pas de 12v sur câble bleu de puissance => fusible qui apparaît au plan...
                  • Continuité fil bleu « L » entre borne relai et connecteur câblage moteur/câblage habitacle = OK, bonne nouvelle!
                  • côté câblage habitacle = pas de 12v après contact... yo
                  Le bleu côté habitacle est alimenté sur le même câble que le relai ASCD... commandé lui aussi par l’activation du Cruise control (fil YB)


                  relai ASCD testé Ok

                  fil bleu L : au relai ASCD 12v après contact, OK
                  fil bleu L : au connecteur blanc 5x2 12v après contact, OK
                  fil bleu L : au fusible, 12v après contact (c’est même de là que vient le jus...), OK
                  fil bleu L : au connecteur blanc 7x3.... toujours pas 12v, cela ne s’est pas résolu tout seul LOL

                  Bon, en résumé, supposant le plan de la fsm valide, c’est au niveau du faisceau entre la boîte à fusible et le connecteur entre câblage habitacle et câblage moteur
                  + sans doute l’interrupteur de pression sous le réservoir de vide


                  ça sent la dépose d’une partie de la planche de bord

                  Fichiers attachés
                  Dernière modification par datsun240z, 23 avril 2020, 20h43.
                  ========================================
                  D'un Z qui veut dire...

                  Commentaire


                  • datsun240z
                    datsun240z a commenté
                    Modifier le commentaire
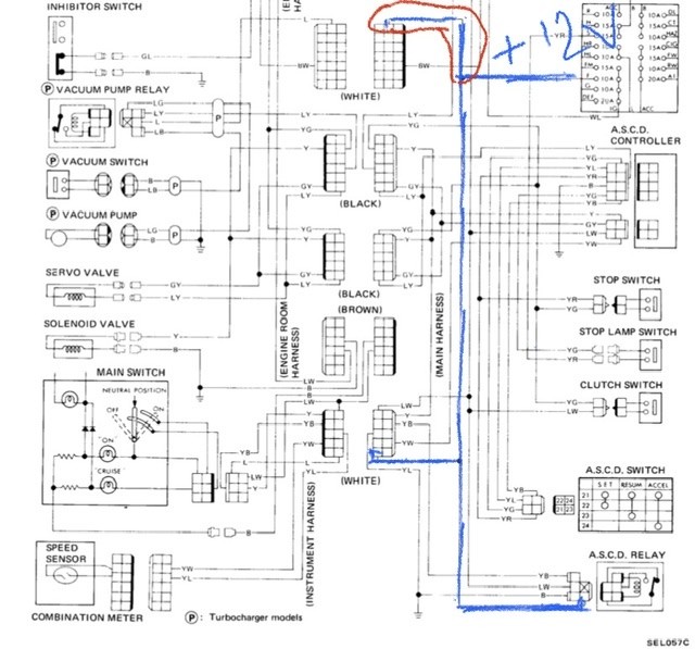
                    Le fil bleu du connecteur 7x3 passe dans la gaine de la planche de bord et retourne au commodo de cruise control

                • To be continued
                  Fichiers attachés
                  ========================================
                  D'un Z qui veut dire...

                  Commentaire


                  • Oh, yessss

                    J’avais à la datcave, un module de rechange.... et hop, la résistance est bonne

                    reste à résoudre l’alimentation 12V
                    ========================================
                    D'un Z qui veut dire...

                    Commentaire


                    • Bon, je me suis fait de la place

                      mission : suis le fil bleu et trouve la coupure ou la cosse oxydée
                      Dernière modification par datsun240z, 25 avril 2020, 13h33.
                      ========================================
                      D'un Z qui veut dire...

                      Commentaire


                      • nissag250
                        nissag250 a commenté
                        Modifier le commentaire
                        Tu parles d'un boulot ! Trop compliqué les voitures modernes !

                      • Scorpion93
                        Scorpion93 a commenté
                        Modifier le commentaire
                        oh la belle casquette Datsun !

                    • nissag250

                      40ans quand même

                      une 280zx européenne très peu équipée est beaucoup plus simple
                      Les 280zx turbo version USA, ce sont « à peu près » des 300zx Z31turbo

                      cette fonction Cruise control mélange du pneumatique, de l’électrique, de l’électronique pour aboutir à un tirage mécanique de la pedale d’accélérateur... truc de fou

                      quand le Cruise sera ok, j’attaquerai la climatisation LoL

                      ========================================
                      D'un Z qui veut dire...

                      Commentaire


                      • Trouvé le fil coupé... j’ai fait le tour de la voiture


                        Le contacteur de vide sous la cuve permet à la pompe à vide de générer de la dépression pour le Cruise control quand le collecteur d’admission n’est plus en dépression (suralimentation par le turbo).

                        test :
                        - Pas de dépression (cuve à l’air libre) : circuit fermé => alimentation relai pompe si cruise control enclenché
                        - moteur tournant au ralenti cuve étanche (2 électrovannes non alimentée et port pour cruise bouché au doigt) : circuit ouvert
                        Dernière modification par datsun240z, 25 avril 2020, 17h35.
                        ========================================
                        D'un Z qui veut dire...

                        Commentaire

                        Chargement...
                        X